東元TEV4電機(jī)地腳4孔位安裝
2024-01-04 17:05:46
WUXI TECO
86
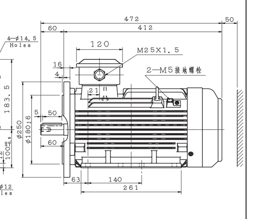
東元TEV4 A-line電機(jī)中2.2KW-7.5KW電機(jī)底腳一側(cè)4個孔,左右兩側(cè)一共8個孔。
客戶實際安裝時面向負(fù)載側(cè)安裝第一和第三孔就可以,東元TEV4 A-line電機(jī)中2.2KW-7.5KW電機(jī)底腳一側(cè)4個孔,共8個孔,除正常安裝的4個底腳孔,剩余4個孔的作用是用于電機(jī)反組裝
